
R-Panel Metal
Metal Panels for Commercial and Agricultural Buildings
The R-Panel is an extra sturdy profile that provides increased rigidity due to a taller rib than the standard 3/4″ rib of the Ag panel and the Signature Wave panel. The 12″ rib spacing along with the higher rib profile provides a look that is ideal for commercial and agricultural buildings, especially for low-sloped roofs that benefit from the increased strength of this panel.

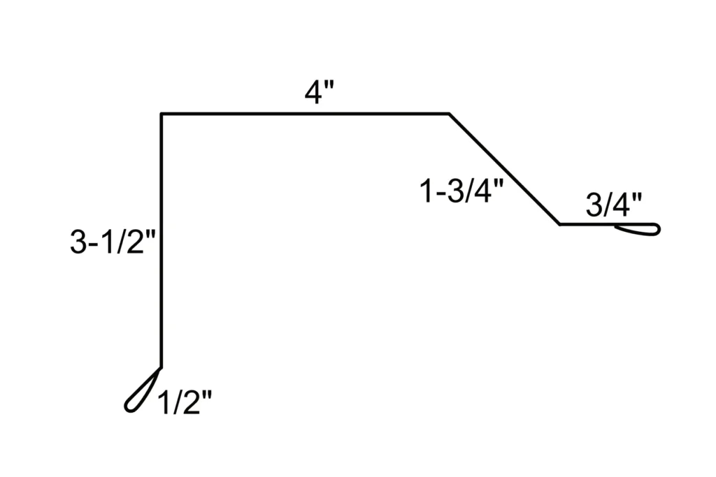
R-Panel Metal Details
- 26 Gauge Metal
- Panel Coverage: 36″
- Rib Height: 1 1/4″
- Rib spacing: 12″
- Available in all our metal colors
- 40 year warranty
- Available with color matching screws
- Works well for residential roofing and siding, agricultural buildings, and commercial projects.


Trim Profiles for R-Panel Metal

R-1. Big Ridge Cap

R-2. Rake and Corner

R-3. Residential Rake

R-4. Long Eave

R-5. Inside Corner

R-6. Jamb Trim

R-7. Head Trim

R-8. Jamb Cover

R-9. Endwall

R-10. Sidewall

R-11. Commercial Valley

R-12. Sculpted Rake

R-13. Sculpted Gutter

R-14. Downspout

R-15. Ratguard

R-16. Wainscot
R Panel Construction Project Gallery











